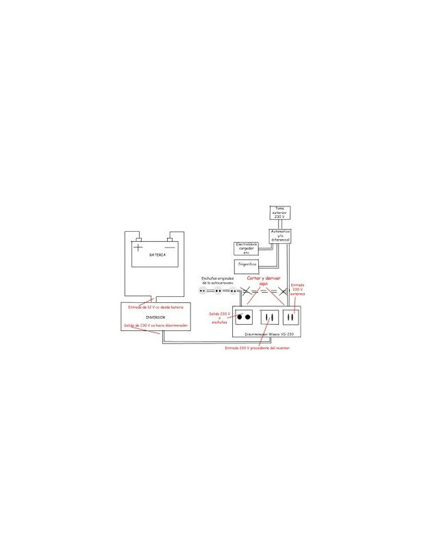
Interruptor Prioritario Inversores Dometic VS 23
Este convertidor senoidal de alto rendimiento convierte la potencia de la batería de 24V en una onda senoidal de 230 V.
Apto para abastecer varios aparatos domésticos como lámparas de lectura y afeitadoras.
Cada unidad incluye un enchufe de 12 V para el mechero del vehículo para su conexión a la batería del vehículo.
Este convertidor es el accesorio perfecto, para mejorar los modelos de baja tensión en la serie Perfecr Power PP (entre 150 y 550w)
La conexión de prioridad está provista de dos posibilidades de alimentación de corriente para distribuir la tensión en los vehículos.
Si en el aparato hay una tensión de la red y otra producida por un inversor (batería del vehículo), se utilizará preferentemente la tensión de la red.
Con este tipo de interruptor la conexión de prioridad es adecuada para todos los inversores de hasta 2300 vatios.
Automáticamente hace que se pase del convertidor a la red principal del suministro eléctrico tan pronto como su vehículo de recreo o embarcación esté conectado a una fuente de energía principal externa, p. ej., en un camping o en un muelle.
También son aptos para convertidor MSI sin conmutador a alimentación de red principal, los modelos más grandes lMSI1800T 2300T y t3500T ya cuentan con el conmutador integrado.
El circuito que incorpora este convertidor, están preparados para conectarse a la red eléctrica, tan pronto como esté disponble una fuente de alimentación externa.
Todo ello permite que se ahorre una importante cantidad de batería.
Los inversores Dometic SinePower garantizan una conmutación suave del voltaje entre las fuentes de alimentación internas y externas.
Características:
Tensión de entrada (CA 230 V)
Tensión de salida: 230 V
Temperatura de funcionamiento máx. 40.00 ° C
Dimensiones (An x Al x Fo) 190 x 80 x 80 mm
Peso: 1,14 kg
Pagos 100% seguros con:
 
                                         
                                     
   
				 
  
  
  
  
  
  
                     
                     
                     
                             
                             
                             
                                                             
                 
                 
                 
                 
                 
                 
                 
                 
                